Kẹp dây
Ứng dụng trong các thiết bị cần layout,thiết bị văn phòng …không gian hẹp dây khí,dây điện, dây mạng…
Sản phẩm dễ dàng lắp ráp,đi dây,thay thế.
KEP-04-B-P kích thước ống 4mm , màu sắc đen, nhựa PP
KEP-06-B-P kích thước ống 6mm , màu sắc đen, nhựa PP
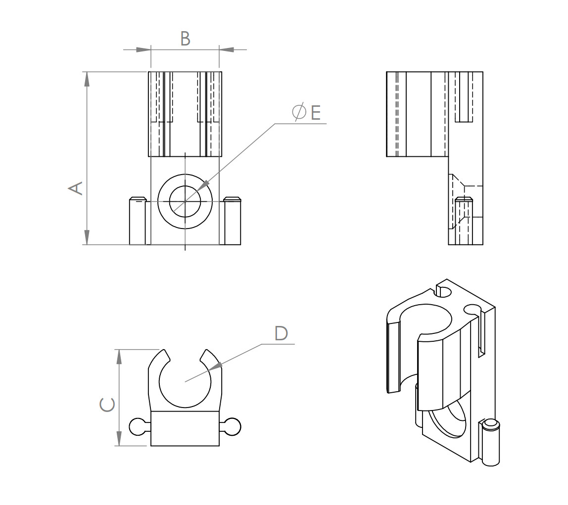
Kích thước:
Tính năng ưu điểm sản phẩm KEP:
- Khi lắp ghép các sản phẩm với nhau đảm bảo tiết kiệm diện tích.
- Sản phẩm tách rời và có thể lắp ghép đồng bộ các kích thước khác nhau giúp người sử dụng thuận tiên nhất trong việc sử dụng.
- Ổn định,thẩm mỹ khi sử dụng.

- Ngoài các vật liệu cơ bản: PP,PA,ABS,… Sản phẩm còn được sử dụng vật liệu tái chế thân thiện với môi trường.
Cách setup KEP:
- Tùy thuộc vào yêu cầu,nhu cầu thực tế để lựa chọn số lượng sản phẩm phù hợp.
- Có thể lắp ghép hỗn hợp các sản phẩm khác kích thước với nhau.
- Có thể lựa chọn khoảng cách bố trí theo nhu cầu.
- nhưng chúng tôi khuyến cáo nên bố trí khoảng cách từ 300~500mm/cụm kẹp để dảm bảo tính thẩm mỹ và dễ dàng khi lắp đặt.
1. Giới thiệu
Công ty Gigatek xin kính chào quý khách.
Công ty chúng tôi là công ty thương mại,được thành lập tại Hà Nội. Với mong muốn đáp ứng nhu cầu,phục vụ tối đa yêu cầu khắt khe nhất từ quý khách hàng. Đặc biệt chúng tôi hy vọng có thể trở thành cầu nối giữa các doanh nghiệp trong và ngoài nước qua đó góp phần thúc đẩy sự phát triển nền công nghiệp và công nghệ Việt Nam. Sự quan tâm và ủng hộ của quý khách là niềm vinh dự,tự hào của chúng tôi.Chúng tôi sẽ là giá trị đồng hành cùng sự phồn vinh,thịnh vượng của quý khách.
Xin chân thành cảm ơn.
2. Hướng dẫn sử dụng website
Trang web là nơi chúng tôi có thể đưa tất cả sản phẩm đến với nhu cầu quý khách. Hy vọng tất cả các yêu cầu sẽ được đáp ứng trên đây. Nếu có bất kỳ thắc mắc hoặc yêu cầu khác quý khách có thể liên hệ trực tiếp với nhân viên của chúng tôi.
(Trong quá trình tham quan,tìm hiểu các thông tin quý khách hãy đảm bảo đủ điều kiện quy định của pháp luật để thực hiện các hành động,thao tác phù hợp.)
3. Thanh toán an toàn và tiện lợi
Quý khách có thể tham khảo, lựa chọn các phương thức thanh toán sau đây và lựa chọn áp dụng phương thức phù hợp:
Cách 1: Thanh toán,đặt hàng trực tiếp từ trang web.
Cách 2: Xác nhận, đặt hàng,thanh toán từ các nhân viên chính thức của công ty chúng tôi.
























Đánh giá KEP-04-B, KEP-06-B Kẹp dây